CAA ENGINEERING SERVICES

Major Infrastructure - Electrical

Ground Power Unit Asset Replacement

Project 13

Client: Sydney Airport Corporation

Value: $10m

Project ID: 13

Role:
– Project management
– Technical leadership
– Capacity assessment
– Design coordination

Project Summary:
CAA Engineering Services supported Sydney Airport’s Terminal 1 GPU renewal program, replacing 56 GPUs, installing 46 coiler systems and renewing submains, cable containment and circuit protection while completing load and capacity analysis and coordinating electrical interfaces. The new higher-efficiency GPUs improve electrical performance and support Sydney Airport’s long-term sustainability and Scope 3 emissions goals.

Project 13
Project 13

Key Deliverables

  • Replacement of 56 ground power units (GPUs)

  • Installation of 46 new coiler systems

  • Submains renewal and upgraded cable containment

  • Electrical circuit protection upgrades

  • Load and capacity analysis for future operational resilience

  • Improved sustainability outcomes through higher-efficiency assets

EM Lighting Replacement Precinct Wide

Client: Sydney Airport Corporation

Value: $6m

Project ID: 3

Role:
– Project management
– Design coordination
– Procurement
– Staging

Project Summary:
CAA Engineering Services supported Sydney Airport to replace legacy emergency and exit lighting with a modern wireless system of around 6,000 luminaires, new head-end equipment, wireless access points and software across multiple terminals and support buildings. We led surveys, upgrade strategies and stakeholder planning to improve compliance, reliability, system visibility and simplify testing and maintenance.

emergency exit lighting Project ID 3

Key Deliverables

  • Replacement of ~6,000 emergency and exit luminaires

  • Deployment of wireless EM lighting technology

  • New head-end equipment and wireless access infrastructure

  • Precinct-wide upgrade strategy and compliance improvements

  • Simplified testing, maintenance, reporting and visibility

  • Stakeholder coordination across terminals and support buildings

Landside Electrical Bus Depot

Client: Sydney Airport Corporation

Value: $3m

Project ID: 37

Role:
– Project management
– Design coordination

Project Summary:

CAA Engineering Services is converting a diesel bus depot at Sydney Airport into an electric bus facility for about 30 buses, including substation and mains upgrades, new cabling and switchboards, ten 180 kW chargers and associated civil and layout changes. We are also implementing charge management systems to optimise charging and manage peak demand while keeping passenger transport services operating.

Key Deliverables

  • Conversion of diesel facility to electric bus depot

  • Substation and mains supply upgrades

  • Installation of 10 × 180 kW chargers

  • New electrical cabling and switchboards

  • Civil and layout reconfiguration for EV infrastructure

  • Implementation of smart charge management systems

eGSE Bay Electrification

Value

$3.5m

Duration

6 mths

Contract Type

D+C

Status

Current

Client: Sydney Airport Corporation

Value: $3.5m

Project ID: 38

Role:
– Project management
– Design for electrification
– Electrical and civil upgrades
– Staging

Project Summary:
CAA Engineering Services was engaged by Sydney Airport to electrify three 24/7 aircraft bays, supporting one of Australia’s first pooled electric ground support equipment (eGSE) models and reducing diesel GSE on the apron. The project converts about 25 diesel GSE units to electric, installs three 120 kW chargers, new EV boards, 300 m of new cable tray and cabling, and associated civil works, planned around bay closures and night-time curfews to avoid impacting flight operations.

Key Deliverables

  • Electrification of three continuous-operation aircraft bays

  • Conversion of ~25 diesel ground support units to electric

  • Installation of 3 × 120 kW GSE chargers

  • New EV distribution boards

  • 300 m of cable tray and new cabling

  • Civil works coordinated around curfews and bay closures

  • Reduction of apron diesel emissions and operational impact

HV Asset Renewal – Substations & Reticulation

Value

$71m

Duration

3+ years

Contract Type

D+C

Status

Current

Client: Sydney Airport (SACL)

Value: $71m

Project ID: 39

Role:
– Project management
– Design-development
– Strategy development
– Tender documentation

Project Summary:
CAA Engineering Services is supporting Sydney Airport with a multi-year HV asset renewal program to reduce risk and maintain reliable supply to terminals and the airfield. The program replaces ageing oil-filled and SF₆-filled equipment with modern air-insulated assets, renews critical switchgear and feeders, upgrades protection and control systems, and is guided by a structured renewal strategy, prioritisation and technical tender documentation.

Key Deliverables

  • Replacement of aging oil-filled and SF₆-filled HV equipment

  • Upgrades to switchgear, feeders, protection and control systems

  • Structured renewal strategy and prioritisation modelling

  • Technical documentation for staged HV asset replacement

  • Increased reliability of HV supply to terminals and airfield

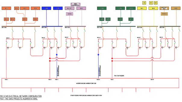
Electrical Central Energy Plant

Client: The Star Casino

Value: $14m

Project ID: 12

Role:
– Technical Project Management
– Design Management

Project Summary:
CAA Engineering Services delivered major HV upgrades for The Star, lifting capacity from 12 MVA to 16 MVA at both properties with new central energy plants, upgraded HV boards, RMUs, seven 4,000 A MSBs, 12 MW of backup generation and substation reconfiguration. Works involved 10 HV and 160 LV overnight shutdowns and were completed on time and 15% under budget in a constrained CBD and harbour-side environment.

project 12 Electrical Central Energy Plant
project 12 Electrical Central Energy Plant

Key Deliverables

  • Capacity upgrade from 12 MVA to 16 MVA

  • Delivery of new central energy plant infrastructure

  • Upgraded HV boards, RMUs and 4,000 A MSBs

  • Installation of 12 MW of backup generation

  • Complex shutdown coordination (10 HV & 160 LV)

  • Efficient delivery in heavily constrained environments

project 12 Electrical Central Energy Plant
project 12 Electrical Central Energy Plant

HV Asset Renewal Program – Feeders / Incoming Mains

Value

$140m

Duration

3 years

Contract Type

D+C

Status

Current

Client: Sydney Airport Corporation

Value: $140m

Project ID: 40

Role:
– Technical Project Management

Project Summary:
Civil works address inherent risks in key electrical infrastructure, helping maintain reliable HV supply to terminals and the airfield. By replacing end-of-life assets and maintaining N-1 redundancy in HV and LV cable reticulation, SYD reduces operational risk and reactive maintenance across the precinct.

Key Deliverables

  • Replacement of end-of-life HV and LV reticulation assets

  • Maintenance of N-1 redundancy across critical cable routes

  • Major civil works to protect electrical infrastructure

  • Reduced risk of terminal and airfield outages

  • Lower reactive maintenance burden across precinct

Critical Asset Replacement

Client: The Star Casino

Value: $13m

Project ID: 19

Role:
– Facility manager
– Project manager

Project Summary:
Develop an asset renewal strategy that addresses HSE risks and business continuity, based on condition assessments of critical plant and equipment. We prepared a three-year forward works plan prioritising replacements by HSE risk, continuity, energy savings and maintenance costs, and then delivered tranche 1 of the program.

Key Deliverables

  • Condition assessment of critical plant and equipment

  • Prioritised asset renewal plan addressing HSE and continuity risks

  • Three-year forward works strategy

  • Energy savings and maintenance cost reduction modelling

  • Delivery of first tranche of asset renewals